PRODUCTS
Hydraulic valve series
Hydraulic pump series
Accessories Series
Hot products
DENNISON Series T6D-035-2R00-B1 Hydraulic Vane Pump
DENNISON Series T6DCCM Hydraulic Double Vane Pump
Dennison Series T6C 014 1R01 C1 High Pressure Vane Pump
Tel:0086 18955343797
E-mail:felix@bison-tech.com
Product details description
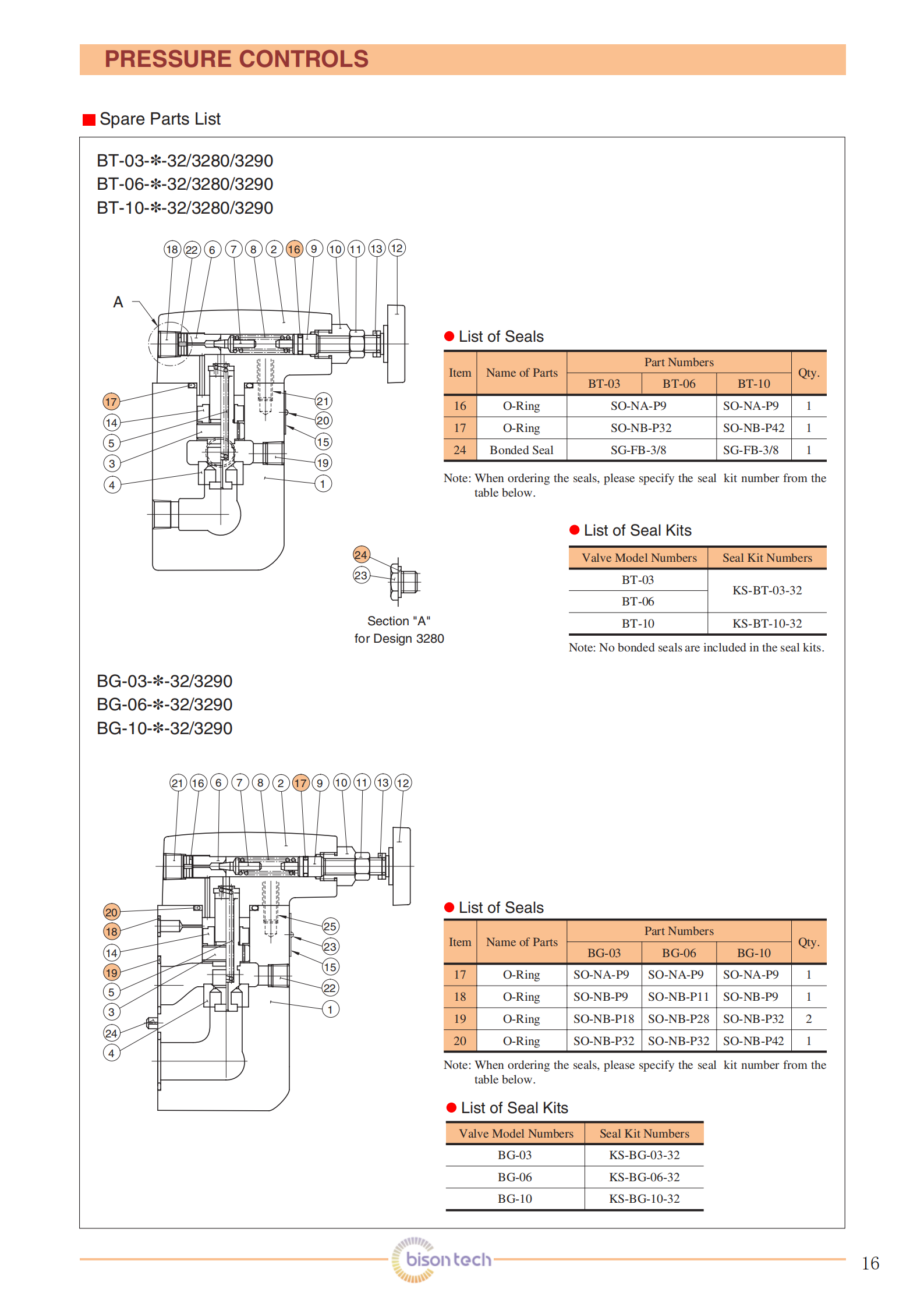
YUKEN Series Relief Valve BG-03-32
Pilot Operated Relief ValvesA hydraulic system. Remote control and unloading are permitted by using vent circuits.
CONTACT US