Hot products
Tel:0086 18955343797
E-mail:felix@bison-tech.com
Product details description
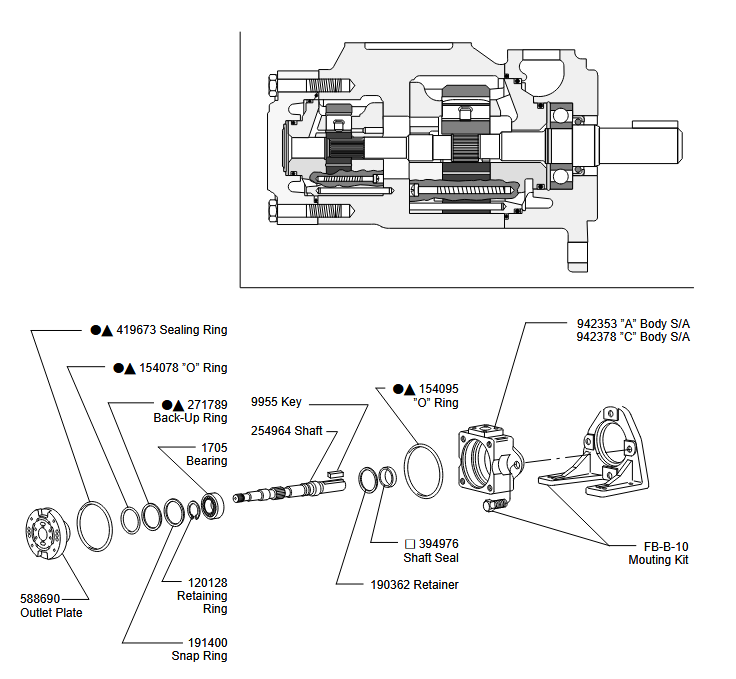
Double vane pump
The main material is cast iron, which has high strength and wear resistance, and is suitable for high-pressure industrial environments.
The pump shaft position is horizontal, and the impeller suction method is single suction. The structure is compact and highly stable.
Youdaoplaceholder0 High-pressure performance : The working pressure can reach 172 bar (approximately 21 MPa), making it suitable for high-load equipment such as hydraulic systems and injection molding machines.
Youdaoplaceholder0 Low-noise design : Utilizing a mother and child blade mechanism, it inherently features low noise, enhancing operational comfort.
Youdaoplaceholder0 high power-to-weight ratio : Achieve high pressure output in a compact form factor and reduce installation costs.
Youdaoplaceholder0 Applicable medium : Specially designed for hydraulic oil, it supports petroleum-based or synthetic hydraulic oil, and is suitable for a temperature range of 30-90℃.




