Hot products
Tel:0086 18955343797
E-mail:felix@bison-tech.com
Product details description
We offer a wide range of models for this vane pump product.
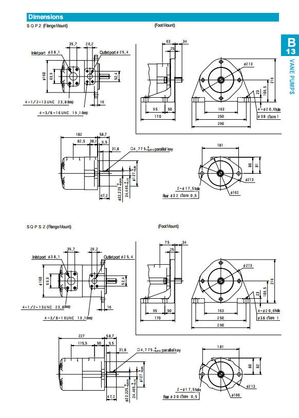
In terms of materials and quality, the SQP3-30-1A-18 vane pump is equipped with carefully selected high-wear-resistant vane components and high-elasticity return springs, which effectively enhance the stability of oil suction and discharge even in hydraulic working conditions with minor oil impurities. The pump body is crafted from high-strength aluminum alloy with a surface anodizing treatment, ensuring both excellent resistance to hydraulic oil corrosion and a compact, wear-resistant industrial appearance. What's more, the rotor slot, 30-series flow channel, and oil distribution plate of the SQP3-30-1A-18 are all precision-machined via CNC technology, enabling more accurate flow output and smoother low-noise operation for hydraulic systems.

